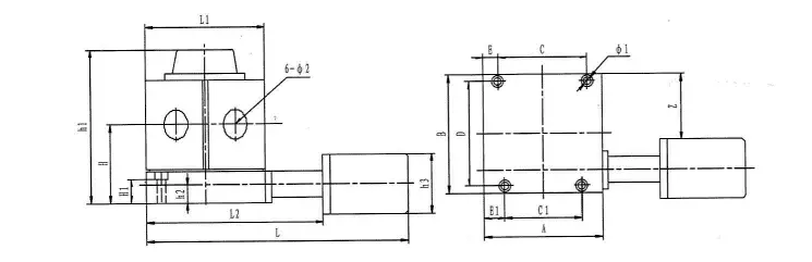
|
Параметр/Модель |
H |
H1 |
A |
B |
C |
C1 |
D |
E |
E1 |
L |
L1 |
L2 |
h1 |
h2 |
h3 |
Ф1 |
Ф2 |
Z |
|
LDB6-90(6132) |
90 |
22 |
161 |
171 |
126 |
126 |
146 |
12 |
12 |
349 |
152 |
209 |
185 |
17.5 |
90 |
13 |
40 |
55 |
|
LDB6-106(6140) |
106 |
26 |
192 |
192 |
152 |
152 |
168 |
20 |
20 |
391 |
166 |
251 |
203 |
20 |
90 |
13 |
40 |
82 |
|
LDB6-147(6163) |
147 |
40 |
200 |
240 |
170 |
170 |
210 |
15 |
15 |
444 |
220 |
297 |
260 |
30 |
110 |
13 |
45 |
101 |
